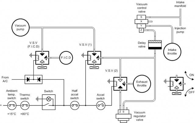
Images of various components
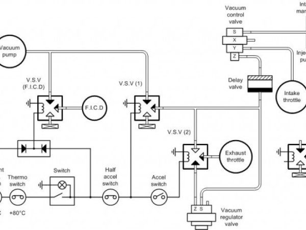
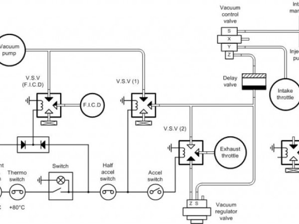
spade connectors swapped, so now down is on.
switch spade connectors were swapped around, so down is now on
Please use the contact form.